一、中央空调水系统工作流程
空调水系统包括冷却水系统(冷却水管、泵、冷却塔、冷凝器、阀门等)、冷冻水系统(冷冻水管、泵、末端、阀门、保温、膨胀水箱等)和冷凝水系统。

空调水系统包括:
1、冷媒水系统(空调水系统);
2、冷却水系统;
3、冷凝水系统;

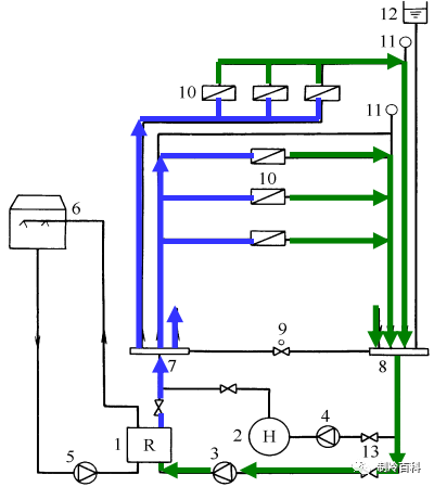
1-水冷冷水机组 ;2-锅炉 ;3-冷冻水泵 ;4-热水泵 ;5-冷却水泵 ;6-冷却塔 ;7-分水器;8-集水器 ;9-压差控制阀 ;10-空调设备 ;11-自动排气阀 ;12-膨胀水箱 ;13-阀门
夏季供冷时 :下图所示,冷水机组1制出的7℃冷冻水,在冷冻水泵3的作用下送至分水器7,然后由分水器通过各供水支管分别送至各空调房间或区域的空调设备10。

在空调设备中,冷冻水与空气经热湿交换后,水温升至12℃又分别由各回水支管流回至集水器8,最后,返回至冷水机组1再被降温处理至7℃,如此反复循环。
冬季供暖时 :锅炉2制出的60℃热水,在热水泵4的作用下送至分水器7,然后按夏季供水路线循环,最后,返回至锅炉2再重新被加热处理。
夏季供冷和冬季供暖的转换,通过冷水机组和锅炉进出水管上的阀门启、闭实现。如下图所示:

图中膨胀水箱12的主要作用是收集因水被加热时体积膨胀而多出的水量,防止系统损坏造成漏水。另外,膨胀水箱还可起到补水和定压作用。

水系统中管道的高处容易积聚空气。当管道内存有空气时,会形成所谓“气堵”,影响水的流动。图中自动排气阀11是为随时排除系统内的空气而设置的。
水系统中设置阀门的作用 :
-
调节作用:调节管道中的水流量;
-
关断作用:中止水的流动。
水系统中还要设置以下必要仪表和装置
-
空调设备的进、出水口设置测温装置,检测设备与水的换热效果。
-
主要设备进、出水口设置测压装置,以便了解设备的水流阻力情况。
-
在冷水机组、锅炉等重要设备水流入口处,通常要设置水过滤装置,防止脏、杂、污物堵塞冷热源设备和空调设备的传热管 。
二、空调水系统的形式
空调水系统的功能是输送冷热量,以满足空调设备处理空气的需要。空调水系统的形式由于分类方式不一样,有很多类型,常见的有:
★闭式系统和开式系统;
★两管制系统、三管制系统和四管制系统;
★同程式系统和异程式系统;
★定流量系统和变流量系统;
★一次泵系统、二次泵系统和混合式系统。

